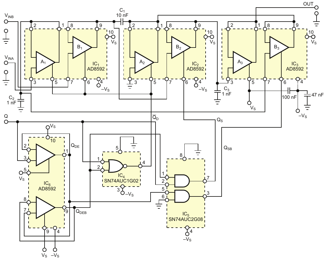
The basis of the operation of this circuit is the simultaneous tracking of the VINA and VINB input voltages on the C2 and C1 capacitors, stacking these capacitors within the sample interval, and storing the valu

AuthorsMarián Štofka
Main DocumentArticle «Dual-input sample-and-hold amplifier uses no external resistors»
DescriptionFigure 1
File Format / SizePDF / 22 Kb
Document LanguageEnglish

The basis of the operation of this circuit is the simultaneous tracking of the V sub INA /sub  and V sub INB  /sub input voltages on the C sub 2 /sub  and C sub 1 /sub  capacitors, stacking these capacitors within the sample interval, and storing the valu

Other Materials from the Main Document