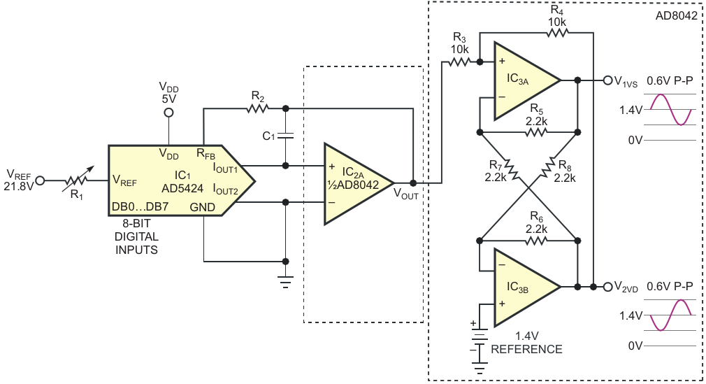
This basic circuit combines a current-output DAC, IC1, with a single-ended-to-differential op-amp stage - IC2, IC3A, and IC3B - to generate the desired outputs

AuthorsLiam Riordan
Main DocumentArticle «Circuit converts DAC's outputs from single-ended to differential mode»
DescriptionFigure 1
File Format / SizePDF / 17 Kb
Document LanguageEnglish

This basic circuit combines a current-output DAC, IC sub 1 /sub , with a single-ended-to-differential op-amp stage - IC sub 2 /sub , IC sub 3A /sub , and IC sub 3B /sub  - to generate the desired outputs

Other Materials from the Main Document