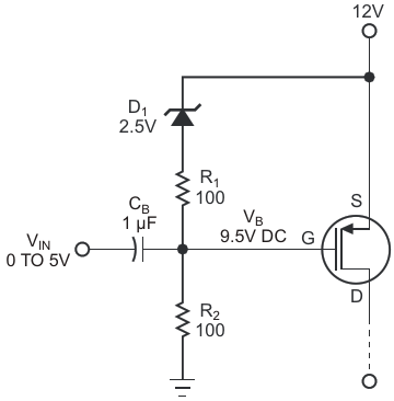
Inserting a zener diode into the bias divider allows optimization of the coupling capacitor's value and the P-channel device's bias voltage for logic-level drive

AuthorsSteve Franks
Main DocumentArticle «FET biasing targets battery-powered PWM applications»
DescriptionFigure 4
File Format / SizePDF / 9 Kb
Document LanguageEnglish

Inserting a zener diode into the bias divider allows optimization of the coupling capacitor's value and the P-channel device's bias voltage for logic-level drive

Other Materials from the Main Document