George Qian, Linear Technology
Design Note 525
Introduction
Traditionally, isolated power supplies use an opto-coupler in the feedback loop to transfer regulation information across the isolation barrier. Unfortunately, an opto-coupler’s gain characteristic varies widely over temperature and lifetime, increasing the difficulty of power supply loop compensation.
Linear Technology’s line of no-opto flyback converters, such as the LT3573, LT3574, LT3575, LT3511, LT3512 and LT8300, simplify flyback design by incorporating a primary-side sensing scheme, thereby eliminating the need for an opto-isolator.
The LT8302 monolithic no-opto flyback converter has an integrated 65 V/3.6 A DMOS power switch with internal loop compensation and soft-start. The LT8302 can operate from an input voltage as low as 2.8 V to 42 V, and deliver output power up to 18 W. It offers low ripple Burst Mode® operation at light loads, providing low standby power loss, and features a low component count.
Performance and Ease of Use
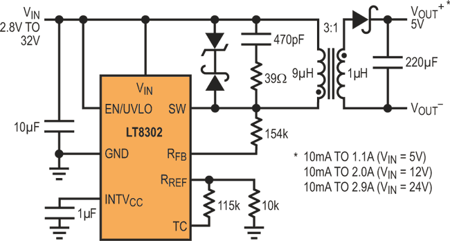
The LT8302 simplifies the design of an isolated flyback converter by sampling the isolated output voltage directly from the primary-side flyback waveform. This solution requires no third winding or opto-coupler for regulation. The output voltage is programmed with two external resistors and an optional third temperature-compensation resistor. By integrating loop compensation and soft-start, the device minimizes the number of required external components, as shown in Figure 1. Boundary mode operation allows the use of a modestly sized transformer, while maintaining excellent load regulation. Low ripple Burst Mode operation yields high efficiency at light load while minimizing the output voltage ripple.
![]() |
|
| Figure 1. | Complete 5 V Isolated Flyback Converter for a 2.8 V~32 V Input. |
Figure 1 shows a complete LT8302 flyback schematic. This converter has up to 85% efficiency, as shown in Figure 2, and sustains 82% efficiency at a 10 mA load with a 5 V input, thanks to its low quiescent current.
![]() |
|
| Figure 2. | Efficiency of the Flyback Converter in Figure 1. |
Low IQ, Low Preload and High Efficiency
At very light loads, the LT8302 reduces the switching frequency while keeping the minimum current limit. In these conditions, it enters low ripple Burst Mode operation, where the part switches between sleep mode and switching mode. The typical quiescent current is 106 μA in sleep mode and 380 μA in switching mode, reducing the effective quiescent current.
The typical minimum switching frequency is about 12 kHz, with the circuit requiring a very small preload (typical 0.5% of full load). Therefore, the LT8302 power losses in standby mode are very low – a priority for applications requiring high efficiency in always-on systems.
Negative Input Power Supplies
In a typical negative input power supply, the IC’s ground pin is connected to the negative input rail, which is a varying voltage. As a result, its output voltage changes with input voltage, assuming no level-shift circuitry. LT8302’s unique feedback sensing scheme can easily develop a regulated output voltage directly through switch node voltage waveform, eliminating the level-shift circuitry that would otherwise be required.
![]() |
|
| Figure 3. | Negative Input to Positive Output Buck-Boost Converter. |
Figure 3 shows a simple negative-to-positive buck-boost converter, and Figure 4 shows a simple negativeto- negative buck converter.
![]() |
|
| Figure 4. | Negative Input to Negative Output Buck Converter. |
Conclusion
The LT8302 operates over an input voltage range of 2.8 V to 42 V and delivers up to 18 W of isolated output power, requiring no opto-coupler or third winding. It integrates a number of features to minimize component count, including low ripple Burst Mode operation, internal soft-start, undervoltage lockout, temperature compensation and internal feedback loop compensation.
The LT8302 is ideal for a broad range of applications, from battery-powered systems to automotive, industrial, medical, telecommunications power supplies, and isolated auxiliary/housekeeping power supplies. The high level of integration yields an easy-to-use, low component count, high efficiency and versatile solution for isolated power delivery.



