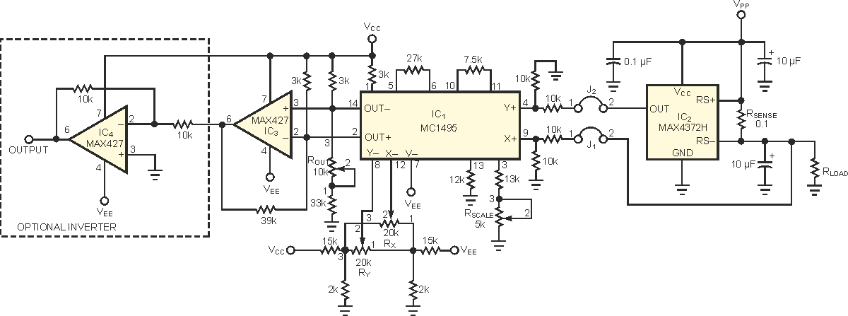
Power meters provide an early warning of thermal overload by monitoring power consumption in high-reliability systems. Power monitoring is especially suitable for motor controllers, industrial heating systems, and other systems in which the load voltage and current are both variable. The power meter/controller in Figure 1 uses the principle that power is the product of voltage and current. The typical accuracy of the circuit is better than ±1%. A current sensor, IC2, measures output current, and a four-quadrant analog-voltage multiplier, IC1 and IC3, generates the product of output voltage and current. An optional unity-gain inverter, IC4, inverts the inverted multiplier output. This power meter is most accurate for multiplier inputs (J1 and J2) of 3 to 15 V. Select the current-sense resistor as follows: RSENSE = 1/P, where RSENSE is in ohms, and P is the output power in watts. If power delivery to the load is 10 W, for example, you would choose RSENSE = 0.1 Ω.

The circuit in Figure 1 has a unity-gain transfer function, in which the output voltage is proportional to load power. For instance, the output voltage is 10 V when the load power is 10 W. To change the transfer-function gain, change the sense resistor as follows: For the circuit in Figure 1, Figure 2 compares power-measurement error with load power. Note that accuracy is better than ±1% for load power of 3 to 14 W. For proper operation, you must first calibrate the analog multiplier according to the following procedure. Remover jumpers J1 (X input) and J2 (Y input) before calibration.
![]() |
||
| Figure 1. | This power meter, whose output voltage is proportional to load power, achieves ±1% accuracy. |
|
- X-input offset adjustment:
Connect a 1-kHz, 5 V p-p sinusoidal signal to the Y input, and connect the X input to ground. Using an oscilloscope to monitor the output, adjust RX for an ac null (zero amplitude) in the sinusoidal signal.
- Y-input offset adjustment:
Connect a 1-kHz, 5 V p-p sinusoidal signal to the X input, and connect the Y input to ground. Using an oscilloscope to monitor the output, adjust RY for an ac null (zero amplitude) in the sinusoidal signal.
- Output-offset adjustment:
Connect both X and Y inputs to ground. Adjust ROUT until the dc output voltage is 0 V.
- Scale factor (gain):
Connect both X and Y inputs to 10 V dc. Adjust RSCALE until the output voltage is 10 V dc.
![]() |
||
| Figure 2. | The measured power is better than ±1% accurate for power levels of 3 to 14 W. |
|
Repeat the preceding steps as necessary.

