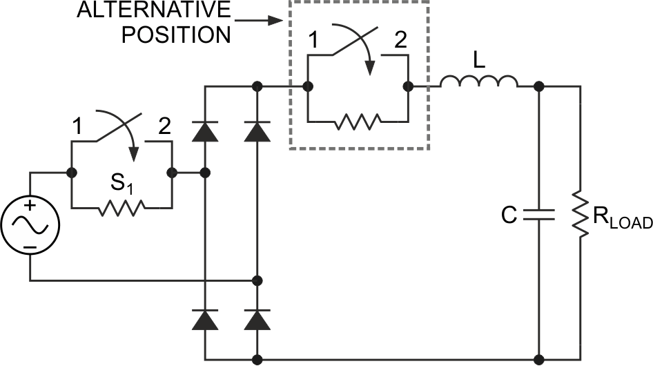
You would normally limit the inrush current during start-up of a rectifier circuit with a capacitor output filter by using the circuit in Figure 1. You insert a high resistance in series with the ac input or the dc output of the rectifier and then short-circuit the resistance with a switch once the filter capacitor is sufficiently charged. In this scheme, you need an additional timer relay or sensing circuit to control the closure or opening of the switch. Moreover, the switch carries the full load current during normal operation. As an alternative, the simple, passive circuit in Figure 2 for inrush-current limiting uses commercially available components and presents advantages in size and cost. The resistance-switch arrangement inserted in series with the filter capacitor, instead of in the main power line, limits inrush current in this circuit. The current rating of the switch can therefore be much lower. A switch, S1, short-circuits the charging resistor, R1. This switch represents the contact of a commercially available dc relay. The relay senses the voltage on capacitor C; thus, the switch operates automatically.
![]() |
|
| Figure 1. | In this classic inrush-limiting circuit, the switch carries the full load current during normal operation. |
![]() |
|
| Figure 2. | In this inrush-limiting circuit, the current rating of the switch is considerably reduced. |
R1 limits the peak inrush current and also determines the start-up delay. The relay's changeover contact either short-circuits R1 when the capacitor is sufficiently charged or connects R2 across the capacitor to speed its discharge in the off condition. For jitter-free operation of the relay, you need suitable hysteresis between closure and opening. Too little hysteresis results in malfunction of the circuit in the presence of momentary dips. Too much hysteresis leaves the circuit unprotected against heavy inrush currents upon reclosure of the relay. You can incorporate suitable hysteresis by adding zener diode DZ and resistor R3 in series with the relay coil. The following equations describe the operation of the circuit in Figure 2:
Dc pickup voltage:

Dc dropout voltage:

and hysteresis:

where
VCP is the relay-coil pickup voltage,
RC is the relay-coil resistance,
ZV is the zener-diode breakdown voltage,
IZ is the zener-diode knee current.
![]() |
|
| Figure 3. | The circuit in Figure 2 limits the inrush current to a safe value of approximately 6 A. |
Commercial-grade components have variations in their parameters. These variations can affect the dc pickup and dropout voltages. For minimum sensitivity to variations in VCP, RC, and IZ, you should make R3 as low as possible. Tolerances in VZ and R3 have an insignificant effect on the circuit; however, IZ is temperature-dependent, and its effect on dropout voltage is significant. Figure 3 shows the experimental results. The prototype uses the following component values: C = 2000 µF (nonpolar), R1 = 36 Ω, R2 = 4.7 kΩ, R3 = 12 kΩ, VZ = 110 V, IZ = 3 mA, VCP = 65 V, and RC = 10 kΩ.


