Infineon Technologies broadens its EiceDRIVER™ portfolio with the 650 V half-bridge gate drivers based on Infineon’s unique silicon on insulator (SOI) technology. The products provide leading negative transient voltage immunity, monolithic integration of a real bootstrap diode, and superior latch-up immunity for MOSFET and IGBT based inverter applications. These unique features enable more robust and reliable designs at reduced BOM cost. The high output current family 2ED218x is tailored for high frequency applications like induction cooking, air conditioning compressors, SMPS, and UPS. The low output current family 2ED210x is targeting home appliances, power tools, motor control and drives, fans and pumps.

2ED218x is the 2.5 A high current EiceDRIVER family, while 2ED210x is the 0.7 A low current family. They include variants with shutdown functionality and separate logic and power ground. The integrated bootstrap diode offers ultra-fast reverse recovery with a typical 30 Ω on-resistance. A negative VS immunity of –100 V with repetitive 300 ns wide pulses provides superior robustness and reliable operation. Additionally, integrated dead-time with cross-conduction logic and independent under-voltage lockout (UVLO) for high and low side voltage supplies support safe operation. The propagation delay of the gate driver family amounts to 200 ns.
![]() |
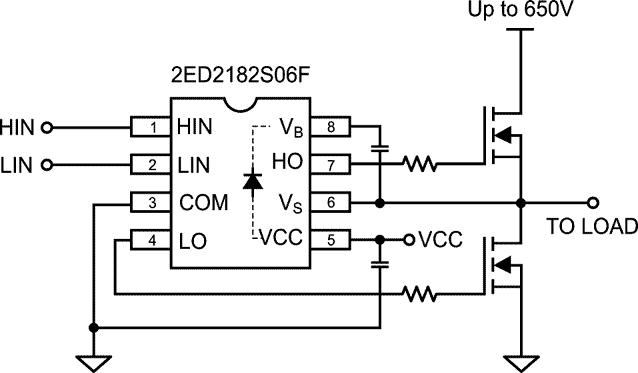
| The 2ED2182S06F Typical Application Block Diagram. |
Availability
2ED218x and 2ED210x are pin-to-pin, electrically and functionally, compatible with earlier generation IR(S)218x and IR(S)210x devices. They are available in industry standard DSO-8 (SOIC8) and DSO-14 (SOIC-14) packages with 2 kV HBM ESD rating (2ED218x only). Both the 2ED218x and 2ED210x product families can be ordered as production samples and in high volume.
