Analog Devices announced an ultra-precision matched resistor network LT5401 optimized for use with fully differential or difference amplifiers, and with excellent matching specifications over the entire temperature range. The LT5401 contains two strings of matched resistors, each providing three tap points. The resulting matched ratios are well suited for precisely setting a differential amplifier’s gain or attenuation.

When used to configure differential or difference gain, the LT5401’s excellent ratio matching ensures high CMRR, low gain errors and low gain drift to levels far too difficult to achieve with discrete passive components. This high level of precision reduces calibration requirements in many applications and offers 10 times higher performance than a ±0.01% discrete solution.
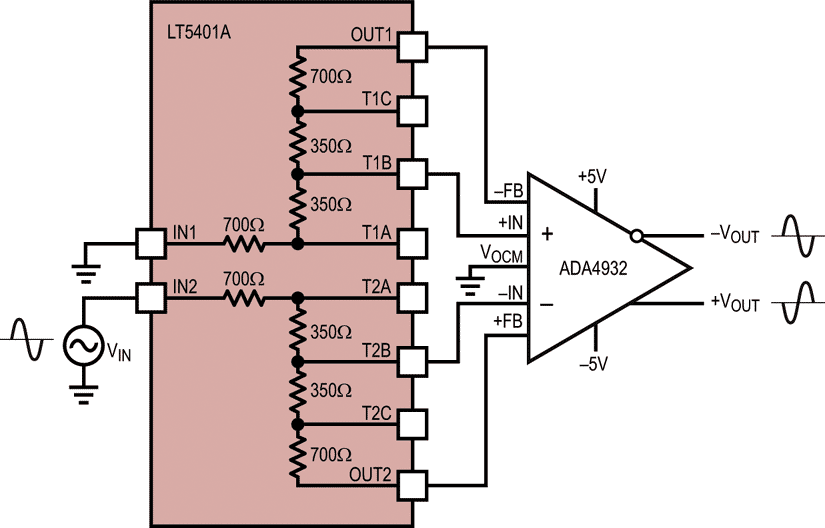
![]() |
| Using LT5401 with a Fully Differential Amplifier for Single-Ended to Differential Conversion, G = 1. |
The LT5401 is available in a compact 10-lead MSOP package with exposed paddle for improved thermal performance over a temperature range of –55 °C to 150 °C.
![]() |
| Input Common Mode Rejection Ratio vs Frequency. |
Features
- Optimized for Use with Fully Differential and Difference Amplifiers
- Excellent Matching
- ±0.003% Resistor Ratio Matching (Max)
- 96.5 dB CMRR (Min)
- ±25 ppm Gain Error (Max)
- ±0.5 ppm/°C Matching Temperature Drift (Max)
- ±35 V Operating Voltage (±36 V Abs Max)
- 8 ppm/°C Absolute Resistor Value Temperature Drift
- Long-Term Stability: < 8 ppm at 6500 Hours
- ESD Protected Inputs
- –55 °C to 150 °C Operating Temperature
- 10-Lead MSOP Package
Applications
- Fully Differential Amplifiers
- Difference Amplifiers
- Reference Dividers
- Precision Summing/Subtracting
![]() |
| The LT5401 Evaluation Board. |


