Nisshinbo Micro Devices Inc. announces the NT9000, NT9001, NT9002, and NT9003, diodes for microwave wireless power transfer (WPT).

In recent years, microwave WPT technology has received significant global attention as a next-generation power supply infrastructure. Advancements in digital transformation (DX) and the proliferation of IoT devices have increased the demand for continuous power supplies for numerous small electronic devices. Particularly in fields such as factories, social infrastructure, logistics, agriculture, and healthcare, providing power to areas where wiring or battery replacement is difficult poses a significant challenge. From legal and regulatory standpoints, frameworks for frequency use and regulatory easing intended for microwave WPT are advancing globally, accelerating efforts to transition from demonstration experiments to societal implementation.
The biggest challenge in practical implementation of microwave WPT lies in the efficiency of converting received microwaves into direct current power. Particularly for IoT applications, even in low-power environments, a high conversion efficiency is required.

The NT9000/NT9001/ NT9002/NT9003 series of diodes is designed for microwave WPT and features both low forward voltage and high DC withstand voltage thanks to our proprietary GaAs wafer process technology. These products enable operation across a wide dynamic range and the implementation of high-efficiency rectifier circuits. This provides a stable power supply solution for power-receiving equipment that uses WPT, such as IoT devices used for factory automation and building management applications in environments where wiring or battery replacement is difficult.
The NT9000 and NT9001 are optimal for 1-W-class rectifier circuits, while the NT9002 and NT9003 are optimal for 1-mW-class rectifier circuits, enabling selection based on the required specifications.
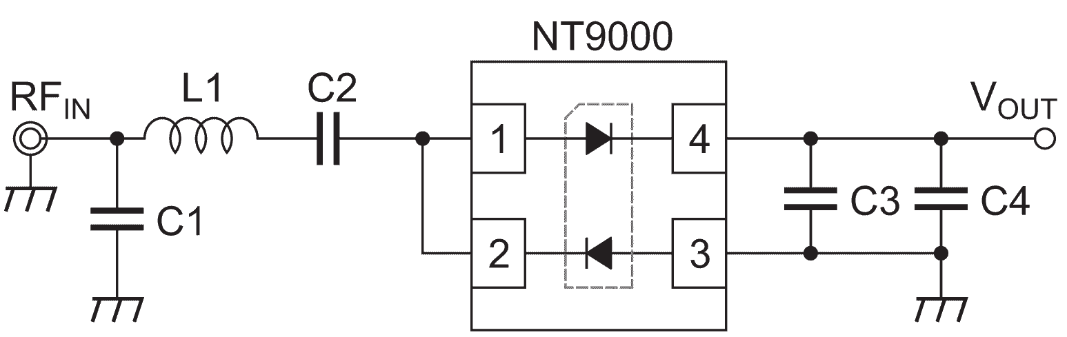
![]() |
| Example of a 5.7 GHz voltage doubler circuit using the NT9000. |
As a foundational technology for stable on-site power supply via WPT, this series enables continuous operation independent of wiring and battery replacement, supporting solutions to social challenges across various fields.
The main features are as follows
- Frequency bands:920 MHz, 2.4 GHz, 5.7 GHz
- High reverse voltage: 20 V
- Low forward voltage: 0.1 V typ.
- Low reverse leakage current:10 μA typ. (NT9000) / 20 μA typ. (NT9001) / 0.5 μA typ. (NT9002) / 1 μA typ. (NT9003)
- Low series resistance:4 Ω typ. (NT9000) / 2 Ω typ. (NT9001) 110 Ω typ. / (NT9002) / 55 Ω typ. (NT9003)
- Low total capacitance:0.2 pF typ. (NT9000) / 0.4 pF typ. (NT9001) / 0.025 pF typ. (NT9002) / 0.03 pF typ. (NT9003)
Features
1. Low forward voltage and high DC withstand voltage
Thanks to their low forward voltage of 0.1 V, these products enable highly efficient DC conversion in rectifier circuits, even with low input power. Additionally, its high DC withstand voltage suppresses device breakdown and leakage current increase even under conditions of increased input power and higher output voltage, ensuring stable rectification operation.
These features allow rectifier circuits that use these products to achieve both highly efficient DC voltage conversion and a wide input power range.
2. Small package
These products use a small, 1.2 × 1.2 mm DFN package. Each product integrates two diodes into a single package. This contributes to a reduction in the mounting area.
Applications
- Rectifier circuits for microwave WPT
- Detectors
