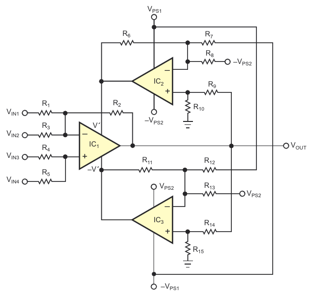
You can achieve the greatest voltage range by using separate power supplies - one for the normal voltages of the amplifier and one for the regulated part of the output voltage

AuthorsYakov Velikson
Main DocumentArticle «Controlled power supply increases op amps' output-voltage range»
DescriptionFigure 3
File Format / SizePDF / 28 Kb
Document LanguageEnglish

You can achieve the greatest voltage range by using separate power supplies - one for the normal voltages of the amplifier and one for the regulated part of the output voltage

Other Materials from the Main Document