News
Articles
Biblio
Circuits
Datasheets
Sites
Devices
Prices
More
News
Articles
Biblio
Datasheets
Sites
Devices
e-Newsletter Subscription
Authors
Only-Datasheet.com
About us
For Authors
Cooperation
Advertising
Contacts
ru - Русский
Search
SubSections
Analog Design
Antique
App Notes
Arduino
Audio
Auto-Audio
Automation
Automotive
Bad Prescript
Beginners
CAD & Soft
Camcorders
Cellular
Computers &
Digital
Domestic
Games
High Voltage
Interfaces
Laser
Light
MCU Usage
Measurement
Medicine
Monitors
Music
Networks
Oscillators
PCB
Platforms
Power
RC Modeling
Radio
Robots
Satellite
Security
Solar
Supply
TV
Telephone
Theory
Tools and Tec
Video
Wind Energy
Wireless
Manufacturers
Circuits
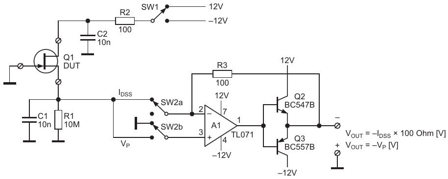
First implementation of the …
First implementation of the practical circuit used to measure I
DSS
and V
P
Authors
Cor van Rij
Main Document
Article «
A simple circuit to let you characterize JFETs more accurately
»
Description
Figure 3
File Format / Size
PDF
/
15 Kb
Document Language
English
Download PDF
Other Materials from the Main Document
Article «
A simple circuit to let you characterize JFETs more accurately
»
Figure 1. A standard N-JFET drain-source current vs gate-source voltage curve
Figure 2. A basic, improved circuit for the JFET I
DSS
and V
P
measurement
Figure 3. First implementation of the practical circuit used to measure I
DSS
and V
P
Figure 4. A circuit with the tailored measurement range that is suited for most JFETs
Figure 5. The readout circuit with sensitive polarity indication
Subscribe e-Newsletter to Stay Informed on New Materials of Our Website!
Slices
Microcontrollers
e-Newsletter Subscription
Contacts
Privacy Policy
Change Privacy Settings