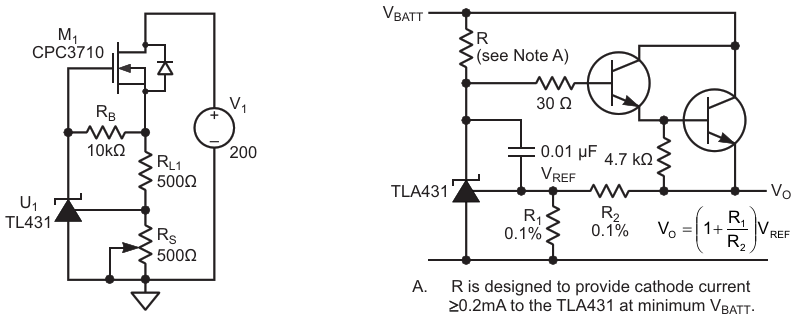
A current source with a more predictable current, left (IXYS) and a voltage regulator which could be employed as a current source with a more predictable current, right (Texas Instruments)

AuthorsChristopher Paul
Main DocumentArticle «A precision, voltage-compliant current source»
DescriptionFigure 2
File Format / SizePDF / 21 Kb
Document LanguageEnglish

A current source with a more predictable current, left (IXYS) and a voltage regulator which could be employed as a current source with a more predictable current, right (Texas Instruments)

Other Materials from the Main Document