Dobromir Dobrev
EDN
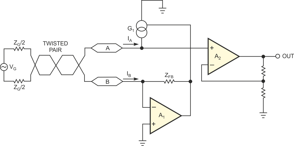
The classic three- or two-op-amp instrumentation-amplifier circuits are standard ways to amplify a small-amplitude differential signal contaminated with high common-mode noise. In some applications, the signal source is floating with high-series-output impedance and thus requires an appropriate high-input-impedance amplifier. This Design Idea proposes an alternative approach using a simplified amplifier circuit (Figure 1). The basic principle is to sense the current in the amplifier input B (IB) and inject a current of the same value in the amplifier input A (IA), by combining a virtual-ground transimpedance amplifier (A1) with a voltage-controlled current source (G1). Thus, G1 balances the common-mode interference currents. In addition, the voltage at input B is at virtual-ground potential.
![]() |
||
| Figure 1. | A voltage-controlled current source and an inverting amplifier emulate an instrumentation amplifier. | |
A practical circuit is a two-electrode biosignal amplifier for electrocardiogram signals (Figure 2). IC2B is the transimpedance amplifier. The feedback capacitor, CFB, ensures circuit stability. The INA134 difference amplifier, IC1, and the op amp, IC2A, make up a high-quality, bidirectional voltage-controlled current source. You could use many similar ICs, such as INA132, INA133, INA152, INA154, INA105 or AMP03, for IC1. The remaining part of the circuit comprises two conventional noninverting stages. The proposed circuit can be useful in many two-wire or two-electrode applications, in which you need to maintain high amplifier input-impedance values.
![]() |
||
| Figure 2. | This biosignal amplifier has the high input impedance that medical applications require. | |

