Applications such as audio equalizers require bandpass filters with a constant maximum gain that's independent of the filter's quality factor, Q. However, all of the well-known filter architectures – Sallen-Key, multiple-feedback, state-variable, and Tow-Thomas – suffer from altered maximum gain when Q varies. Equation 1 expresses the second-order bandpass transfer function of a bandpass filter:
![]() |
(1) |
where K represents the filter's gain constant. When the input frequency equals ω0, the filter's gain, AMAX, is proportional to the product, KQ. Thus, modifying the quality factor alters the gain and vice versa.
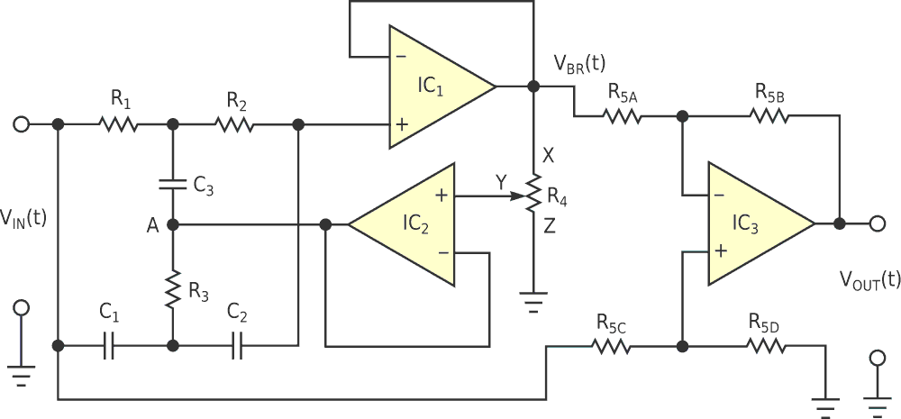
This Design Idea describes a filter structure in which K is inversely proportional to Q. Altering Q also modifies K, producing a magnitude-plot set in which the curves maintain the same maximum gain at the central frequency ω0 – that is, KQ remains constant. Figure 1 shows the filter, which comprises a twin T cell with an adjustable quality factor and a differential stage. The differential stage comprises op amp IC3 and resistors R5A through R5D. This stage outputs the difference between the filter's input signal and the twin-T network's output. Capacitors C1 and C2 are of equal value, C = C1 = C2, capacitor C3 equals 2C, resistors R1 and R2 are also equal and of value R = R1 = R2, and R3 equals R/2. Equation 2 describes the twin-T circuit's transfer-function response as a notch filter producing output VBR(t):
![]() |
(2) |
Equation 3 describes the compete circuit's transfer function, a bandpass-filter response with output VOUT(t):
![]() |
(3) |
where m represents the twin-T cell's feedback factor. If you designate RXY as the resistance potentiometer R4's upper terminal, Point X; the rotor as Point Y; and RYZ as the resistance between the rotor and the bottom terminal, Point Z, you can express m as the quotient of Equation 4:
![]() |
(4) |
Comparing Equation 3 with the respective normalized transfer functions of a bandpass filter, Equation 1, Equation 5 expresses the central frequency of the filter, ω0, coincident with the transmission zero of the twin-T network:
![]() |
(5) |
Equations 6 and 7, respectively, give quality factor Q and gain constant K:
![]() |
(6) |
![]() |
(7) |
The maximum gain, AMAX, at ω = ω0, always remains constant and equal to 1 (0 dB) and is independent of Q. The minimum quality factor is ¼ for m = 0, which corresponds to the potentiometer's rotor connected to ground. The maximum gain is theoretically infinite, but, in practice, it's difficult to achieve a quality factor beyond 50. In most applications, Q ranges from 1 to 10.
![]() |
|
| Figure 2. | Magnitude and phase Bode plots at the frequency-notch output, VBR(t), show effects of varying twin-T-cell feedback factor, m, from 0.1 to 0.9. |
Figure 2 shows the filter's magnitude and phase Bode plots for the frequency-notch output VBR(t) (available at IC1 's output) for values of m from 0.1 to 0.9. Figure 3 shows Bode plots for the filter's bandpass output, VOUT(t), for the same values of m. In both graphs, frequency f0 equals 1061 Hz. To minimize frequency-response variations and improve response accuracy, you can build the filter with precision metal-film resistors of 1% or better tolerance. Likewise, use close-tolerance mica, polycarbonate, polyester, polystyrene, polypropylene, or Teflon capacitors. For best performance, avoid carbon resistors and electrolytic, tantalum, or ceramic capacitors.
![]() |
|
| Figure 3. | Magnitude and phase Bode plots at the bandpass output, VOUT(t), show effects of varying twin-T-cell feedback factor, m, from 0.1 to 0.9. |









