News
Articles
Biblio
Circuits
Datasheets
Sites
Devices
Prices
More
News
Articles
Biblio
Datasheets
Sites
Devices
e-Newsletter Subscription
Authors
Only-Datasheet.com
About us
For Authors
Cooperation
Advertising
Contacts
ru - Русский
Search
SubSections
El.Components
ADC, DAC
Amplifiers
Capacitors
Cellular
Discretes
Drivers
El.Comp.Tech.
Interfaces
Logic
MCU
MEMS
Memory
Optoelectron.
Processors
Program.Logic
RF
Sensors
Supply
Wireless
El.Engineer.
Adv. Tech
Analog Design
Antique
App Notes
Arduino
Audio
Automation
Automotive
Beginners
CAD & Soft
Camcorders
Computers &
Digital
Domestic
Games
High Voltage
Interfaces
Laser
Light
MCU Usage
Measurement
Medicine
Monitors
Networks
Oscillators
PCB
Platforms
Power
RC Modeling
Radio
Robots
Satellite
Security
Solar
Supply
TV
Telephone
Theory
Tools and Tec
Video
Wind Energy
Wireless
Consumer Tech
Audio
Climate Tech
Communic.
Computers &
Future Tech
Manufacturers
Articles
Howland current pump. Bipolar …
Howland current pump. Bipolar current output
Authors
James Bryant
Main Document
Article «
Current-Output Circuit Techniques Add Versatility to Your Analog Toolbox
»
Description
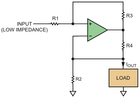
Figure 9
File Format / Size
PDF
/
15 Kb
Document Language
English
Download PDF
Other Materials from the Main Document
Article «
Current-Output Circuit Techniques Add Versatility to Your Analog Toolbox
»
Figure 1. Basic current mirror
Figure 2. ((a) Multistage current mirror, and (b) noninteger-ratio current mirror. The three T2 collectors may be joined to give 3I
IN
Figure 3. Wilson current mirror. T4 is optional but improves accuracy and dynamic range
Figure 4. Transconductance amplifier. V
IN
-> I
OUT
Figure 5. Op-amp current mirror
Figure 6. (a) Inverting low Z
IN
current mirror, and (b) noninverting low Z
IN
current mirror
Figure 7. Current mirror for grounded load
Figure 8. Level-shifting current mirrors
Figure 9. Howland current pump. Bipolar current output
Figure 10. Bipolar-current op amp
Figure 11. 2-terminal current source
Figure 12. JFET current source
Figure 13. Black-brick switching supply modified for current-limit output
Subscribe e-Newsletter to Stay Informed on New Materials of Our Website!
Slices
Microcontrollers
e-Newsletter Subscription
Contacts
Privacy Policy
Change Privacy Settings