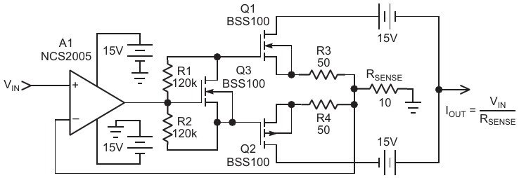
Actual circuit used for testing of the grounded load current source. This circuit included the VGS multiplier Q3 to provide the class A/B bias necessary for high frequency transient response testing. The 50 Ω source resistors on Q1 and Q2 elimi

AuthorsJerry Steele
Main DocumentArticle «Simple, precise, bi-directional current source»
DescriptionFigure 3
File Format / SizePDF / 10 Kb
Document LanguageEnglish

Actual circuit used for testing of the grounded load current source This circuit included the V sub GS /sub  multiplier Q3 to provide the class A/B bias necessary for high frequency transient response testing The 50 Ω source resistors on Q1 and Q2 elimi

Other Materials from the Main Document