The circuit in Figure 1 converts the input DC voltage into a pulse train. The period of the pulses is proportional to the input voltage with a 50% duty cycle and a nonlinearity error of 0.01%. The maximum conversion time is less than 5 ms.
![]() |
|
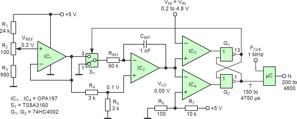
| Figure 1. | The circuit uses an integrator and a Schmitt trigger with variable hysteresis to convert a DC voltage into a pulse train where the period of the pulses is proportional to the input voltage. |
The circuit is made of four sections. The op-amp IC1 and resistors R1 to R5 create two reference voltages for the integrator.
The integrator, built with IC2, RINT, and CINT, generates two linear ramps. Switch S1 changes the direction of the current going to the integrating capacitor; in turn, this changes the direction of the linear ramps. The rest of the circuit is a Schmitt trigger with variable hysteresis. The low trip point VLO is fixed, and the high trip point VHI is variable (the input voltage VIN comes in there).
The signal coming from the integrator sweeps between the two trip points of the trigger at an equal rate and in opposite directions. Since R4 = R5, the duty cycle is 50% and the transfer function is as follows:

To start oscillations, the following relation must be satisfied when the circuit gets power:

Figure 2 shows that the transfer function of the circuit is perfectly linear (the R² factor equals unity). In reality, there are slight deviations around the straight line; with respect to the span of the output period, these deviations do not exceed ± 0.01%. The slope of the line can be adjusted to 1000 µs/V by R2, and the offset can be easily cancelled by the microcontroller (µC).
![]() |
|
| Figure 2. | The transfer function of the circuit in Figure 1. It is very linear and can be easily adjusted via R2. |
Figure 1 shows that the µC converts period T into a number by filling the period with clock pulses of frequency fCLK = 1 MHz. It also adds 50 to the result to cancel the offset. The range of the obtained numbers is from 200 to 4800, i.e., the resolution is 1 count per mV.
Resolution can be easily increased by a factor of 10 by setting the clock frequency to 10 MHz. The great thing is that the nonlinearity error and conversion time remain the same, which is not possible for the voltage-to-frequency converters (VFCs). Here is an example.
Assume that a voltage-to-period converter (VPC) generates pulse periods T = 5 ms at a full-scale input of 5 V. Filling the period with 1 MHz clock pulses produces a number of 5000 (N = T × fCLK). The conversion time is 5 ms, which is the longest for this converter. As we already know, the nonlinearity is 0.01%.
Now consider a VFC which produces a frequency f = 5 kHz at a 5-V input. To get the number of 5000, this signal must be gated by a signal that is 1 second long (N = tG × f). Gate time is the conversion time.
The nonlinearity in this case is 0.002% (see References), which is five times better than VPC’s nonlinearity. However, conversion time is 200 times longer (1 s vs. 5 ms). To get the same number of pulses N for the same conversion time as the VPC, the full-scale frequency of the VFC must go up to 1 MHz. However, nonlinearity at 1 MHz is 0.1%, ten times worse than VPC’s nonlinearity.
The contrast becomes more pronounced when the desired number is moved up to 50,000. Using the same analysis, it becomes clear that the VPC can do the job 10 times faster with 10 times better linearity than the VFCs. An additional advantage of the VPC is the lower cost.
If you plan to use the circuit, pay attention to the integrating capacitor. As CINT participates in the transfer function, it should be carefully selected in terms of tolerance, temperature stability, and dielectric material.

