News
Articles
Biblio
Circuits
Datasheets
Sites
Devices
Prices
More
News
Articles
Biblio
Datasheets
Sites
Devices
e-Newsletter Subscription
Authors
Only-Datasheet.com
About us
For Authors
Cooperation
Advertising
Contacts
ru - Русский
Search
SubSections
El.Components
ADC, DAC
Amplifiers
Capacitors
Cellular
Discretes
Drivers
El.Comp.Tech.
Interfaces
Logic
MCU
MEMS
Memory
Optoelectron.
Processors
Program.Logic
RF
Sensors
Supply
Wireless
El.Engineer.
Adv. Tech
Analog Design
Antique
App Notes
Arduino
Audio
Automation
Automotive
Beginners
CAD & Soft
Camcorders
Computers &
Digital
Domestic
Games
High Voltage
Interfaces
Laser
Light
MCU Usage
Measurement
Medicine
Monitors
Networks
Oscillators
PCB
Platforms
Power
RC Modeling
Radio
Robots
Satellite
Security
Solar
Supply
TV
Telephone
Theory
Tools and Tec
Video
Wind Energy
Wireless
Consumer Tech
Audio
Climate Tech
Communic.
Computers &
Future Tech
Manufacturers
Articles
A SEPIC is a …
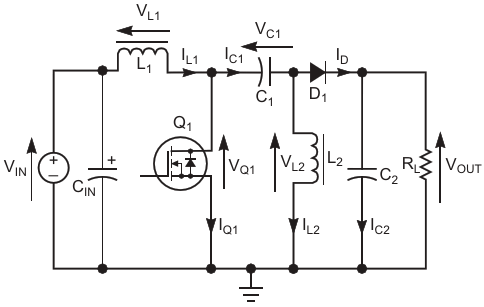
A SEPIC is a dc/dc topology that allows the output voltage to be greater than, less than, or equal to the input voltage
Authors
Ramesh Khanna, Frank Edrada
Main Document
Article «
Solar panel powers two-stage lead-acid battery charger
»
Description
Figure 4
File Format / Size
PDF
/
11 Kb
Document Language
English
Download PDF
Other Materials from the Main Document
Article «
Solar panel powers two-stage lead-acid battery charger
»
Figure 1. A solar cell's current output decreases with a reduction in sunlight
Figure 2. A solar cell's output voltage decreases with an increase in temperature
Figure 3. The solar charger system uses an 18-cell, 3 W solar panel as the input source. The system comprises two stages, in which the first stage monitors the solar panel's voltages using a SEPIC topology and provides the output voltage, which tracks the input of
Figure 4. A SEPIC is a dc/dc topology that allows the output voltage to be greater than, less than, or equal to the input voltage
Figure 5. Replacing the inductor L
2
of Figure 4 yields an isolated SEPIC
Figure 6. The design incorporates an external soft-start circuit to extend the soft-start time and ensure that the solar panel does not become overloaded during turn-on
Figure 7. Changing the value of R
B
adjusts the SEPIC voltage's setpoint to accommodate different solar panels' voltages. You can adjust a resistor divider comprising R
T
and R
B
to match the SEPIC's reference voltage, typically 1.34 V
Figure 8. The second stage comprises a SEPIC that operates in boost mode with constant current-charge control and charges the 12 V battery
Figure 9. The R
BR
/R
TR
divider that connects to the LM4041 in the first stage senses the solar panel's output voltage, which initiates a restart mode by disabling the second stage of the circuit by pulling down on the enable pin of LM5001
Figure 10. The normal operating temperature for the charger is 60 °C
Figure 11. Efficiency falls off rapidly when the input voltage from the solar panel falls below 6.5 V
Subscribe e-Newsletter to Stay Informed on New Materials of Our Website!
Slices
Microcontrollers
e-Newsletter Subscription
Contacts
Privacy Policy
Change Privacy Settings