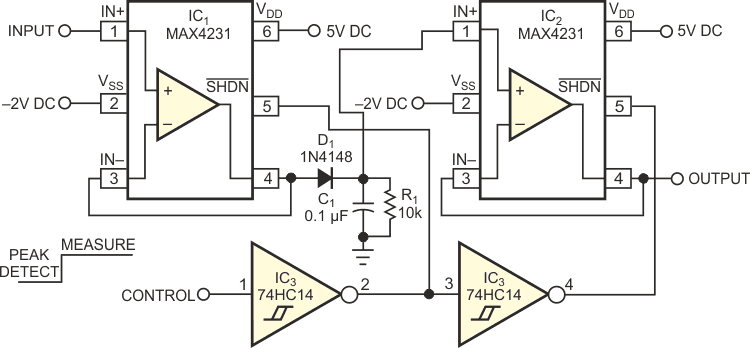
You face a serious problem in using a slow ADC with a fast peak detector. The circuit in Figure 1 allows a slow ADC to measure a fast, sampled signal peak. The 100-MHz peak detector for ultrasonic-pulse sampling uses a fast MAX4231 amplifier. This amplifier has a shutdown feature that facilitates power savings without losing the sampled information. When the circuit samples a peak with a low-TTL-control input, the output of the peak-detector amplifier shuts off, and the output amplifier switches on to measure the output signal.
![]() |
|
| Figure 1. | This circuit allows you to use a slow ADC to measure fast peaks and saves power to boot. |
This technique reduces power consumption by nearly 50%, because only one of the amplifiers is active at any given time. Table 1 shows the circuit functions and the amplifier modes as a function of the control input's status.
| Table 1. | Circuit functions and amplifier modes | ||||||||||||
|
|||||||||||||
The most important advantage of the circuit is that it prevents sampling of another input peak before a measurement takes place. The first peak-detector amplifier – in shutdown mode – does not permit the reading to change. This feature helps a slow ADC to monitor a high-speed sampled peak in a desired sampling interval, an impossible operation with a conventional peak-detecting circuit. You select the R1 and C1 values for the desired time constant to hold the peak and then let it decay according to the RC time constant. If peak decay is undesirable, then you can use a transistor switch (not shown) without R1 to discharge the capacitor to ground before sampling a new input-signal peak.
