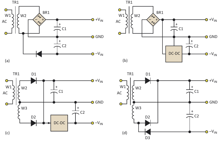
If a negative voltage is needed, there are various common techniques to generate negative dc rails from an ac supply, including a full-wave bridge plus additional diode (a), a full-wave bridge plus negative dc-dc converter and regulato (b), a half-bridge

AuthorsPetre Petrov
Main DocumentArticle «Drive LDOs To 0-V Output With Single Supply»
DescriptionFigure 5
File Format / SizePDF / 46 Kb
Document LanguageEnglish

If a negative voltage is needed, there are various common techniques to generate negative dc rails from an ac supply, including a full-wave bridge plus additional diode (a), a full-wave bridge plus negative dc-dc converter and regulato (b), a half-bridge

Other Materials from the Main Document